
Descripción
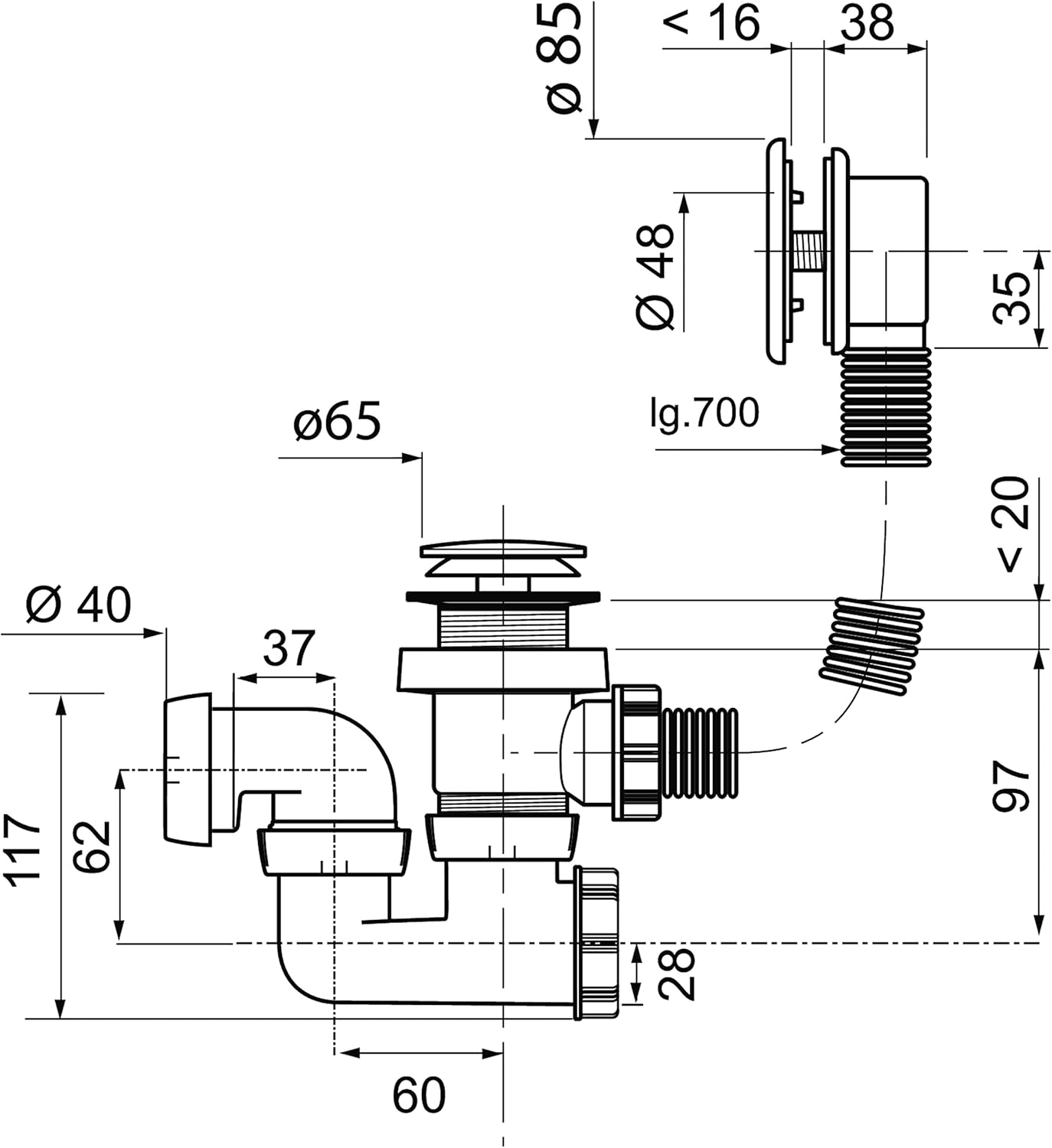
El desagüe para bañera Wirquin con sifón orientable (ref. 30723100) es un sistema completo de evacuación pensado para bañeras estándar. Cuenta con bonda de accionamiento Quick‑Clac, un sifón de salida orientable y un rebosadero integrado que facilitan la instalación y el uso diario.
Gracias a su diseño compacto y funcional, este desagüe permite una evacuación eficaz de las aguas residuales, al mismo tiempo que el sifón evita la entrada de olores indeseados procedentes de la red de desagüe.
CARACTERÍSTICAS
- Sifón orientable: permite adaptar la salida de evacuación según necesidad de instalación
- Sistema de apertura Quick‑Clac: tapón que se abre y cierra con una simple pulsación
- Longitud del rebosadero: 700 mm
- Altura útil bajo la bañera: 125 mm
- Caudal de evacuación: aprox. 60 L/min
- Materiales del mando y válvula: mando cromado y válvula de acero inoxidable cromado
- Salida estándar: Ø 40 mm (conexión para instalación de desagüe)
- Compatible con bañeras estándar (no compatible con bote sifónico)
Ref. 30723100